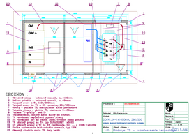
Kiosková trafostanice DOFA 1.2
Trafostanice je s vnitřním ovládáním, jedno trafo, rozvodna NN, rozvodna VN
Základní technické údaje:
- Konstrukce stanice: železobetonový skelet, kabelový prostor a střecha
- Rozměry: D × Š × V: 4800 × 2800 × 3500 mm
- Zapuštění do země: 800 mm
- Zastavěná plocha: 13,5 m2
- Hmotnost (s transformátorem 1600 kVA): cca 28 000 kg
- Transformátor: 50-1600 kVA
- VN rozváděč: blokový
2 × přívod s odpínačem
1 × měření
1 × vývod - odpínač s pojistkami - NN rozvaděč:skříňový, 2 pole do 8 ks pojistkové odpínače 630 A, možnost rozšíření do 20 vývodů + kompenzace
- Měření: USM na straně VN umístěna z venku




